◆安装孔径16mm,复位常开功能。安装部防水、防尘等。小的功耗,更全面的电压规格(DC/AC1.8V-220V),全新的不锈钢按钮大大提高了产品的抗冲击性、抗震性和耐腐蚀性。
◆304/316不锈钢、铝合金、铜合金壳体,按钮外形有凸出式、水平式,主要面向电子设备,机械行业。
◆此款产品特点是开关元件全部采用蠕动型结构设计,双触点结构及加大银触点接触面积,使开关承受负载能力增强,复位功能无灯的最大电流可达10A,填补了国内金属按钮开关中的一个空白,触点具有自洁功能,可靠性为百万分级 ,体积小巧,外观精致,经济适用,性价比高;标准产品配有固定用螺母和防水垫圈。
◆产品应用:小型手持设备,户外防水设备,美容面膜机,果汁饮料机,投币机,咖啡机,榨汁机,自动售货机,抽湿机,电子门锁系统,灯具,小家电,银行报警设备,门禁安防,航空,汽车,电脑及周边设备,医疗设备,通讯设备,清洁设备等。
--------------------------------产品参数-------------------------------
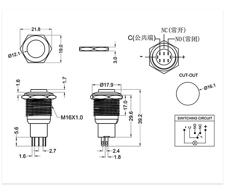
安装孔尺寸:16mm
开关额定值:3A 250VAC
开关组合:(NO)-OFF
操作类型:自锁式/复位式
外壳材料:不锈钢/黄铜镀镍/铝合金
触 点:银合金
开关基座:PA66
接触电阻:50mΩ Max(initial)
绝缘电阻:100MΩ Min
绝缘强度:2000VAC for 1 Minute
环境温度:-20℃ to 85℃
面板厚度:1mm-10mm
操作压力:300gf±100gf
操作行程:2.8mm±0.5mm
--------------------------------规格图纸--------------------------------

--------------------------------产品应用--------------------------------